感应加热
应用概述
应用概述
高温炉的工作原理基于热传导和辐射传热的原理。 通过加热元件产生的热量,通过热传导和辐射的方式传递给炉体和材料,使其温度升高。 控制系统起着关键的作用,用于实现对温度的精确控制。
其核心部件为IGBT,在应用时要考虑到大电流时候散热、开关损耗、过压等问题。对于8KW及更大功率的高温炉一般采用半桥或全桥电路来实现大功率输出,IGBT多采用150A/200A 1200V的两单元模块。
感应加热
应用系统图
应用系统图
感应加热
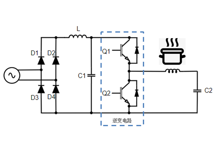
应用拓扑图
应用拓扑图
感应加热
推荐产品
推荐产品
IGBT模块产品清单
| Part Number | VCE(V) | Ic(A)@100℃ | Vcesat(V) @25℃ typ |
Eon(mJ) | Eoff(mJ) | Package | Datasheet |
|---|---|---|---|---|---|---|---|
| MPFF50R12RB | 1200 | 50 | 1.9 | 3.58 | 1.7 | 34mm module | Download |
| MPFF75R12RB | 1200 | 75 | 2 | 5.4 | 4.1 | 34mm module | Download |
| MPFF100R12RB | 1200 | 100 | 1.95 | 6.87 | 5.44 | 34mm module | Download |
| MPFF150R12KB | 1200 | 150 | 1.81 | 9.4 | 7.39 | 62mm module | Download |
| MPFF150R12RB | 1200 | 150 | 2 | 3.6 | 8.7 | 34mm module | Download |
| MPFF200R12KB | 1200 | 200 | 2 | 2 | 12.1 | 62mm module | Download |
| MPFF200R12RB | 1200 | 200 | 2.26 | 22.7 | 17.1 | 34mm module | Download |
| MPFF300R12KB | 1200 | 300 | 1.87 | 14.96 | 18.91 | 62mm module | Download |
硅基芯片及模组系列
第三代半导体芯片及模组系列